Aprilaire Model 60 Controller Manual

Aprilaire Model 60. Aprilaire Model 60 Installation Manual NOTES: The Model 60 must be continuously powered from "R" and "C" on the furnace to function properly View and Download Aprilaire 60 safety and installation instructions manual online

Aprilaire Model 60 Installation Manual
Aprilaire Model 60 Installation Manual from manualenginemaxima.z13.web.core.windows.net

WATER PANEL CHANGE INDICATOR (MODEL 60 ONLY) The control keeps track of humidifier operation time Price and other details may vary based on product size and color.Amazon.com: aprilaire model 60

Aprilaire Model 60 Installation Manual

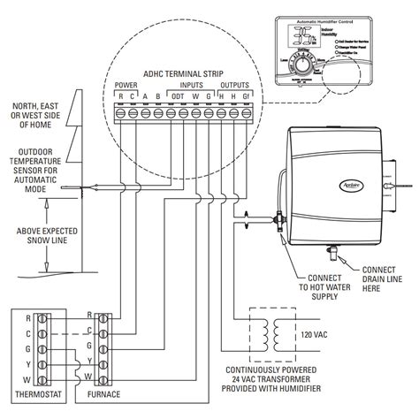
Model 60 offers fully electronic control that is accurate to with +/-3% RH and is compatible with AprilAire Whole House Humidifiers in the following Series: 400, 500, 600, 700 (works with Gray or Almond Housing models in the 700 Series) The advanced computer technology measures the outdoor temperature and indoor humidity and continually adjusts your homes indoor humidity to its optimum level. Aprilaire 60 - Digital Automatic Humidistat w/ Outdoor Sensor- The new Aprilaire #60 automatic humidifier control works in conjunction with your furnace to control the operation of the humidifier

Aprilaire 60 Automatic Humidistat Controller. Figure K - Model 60 Wiring for Model 400, 500, 600 Strip the wires used for all Humidifier Control terminal connections 1/4 inch View and Download Aprilaire 60 operating instructions manual online

Aprilaire Model 60 Controller Manual. NOTES: The Model 60 must be continuously powered from "R" and "C" on the furnace to function properly Computer-equipped, completely automated, there is no need for call for heat and manual adjustments